JK-45K

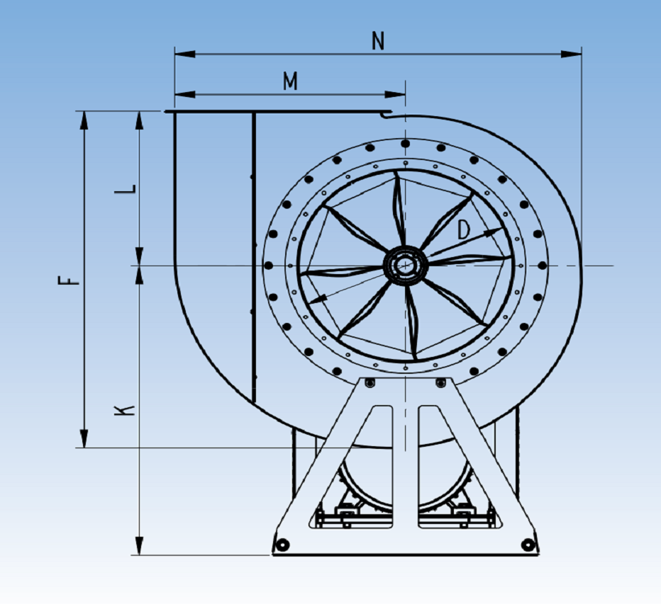
The indirect drive centrifugal fan types JK-30K - JK-75K are designed for material handling.

Equipped with self-cleaning impellers with backward-inclined blades and aerodynamic intake. The impellers are statically and dynamically balanced.

The pulleys are shaft-mounted with taperlock bushing, allowing easy replacement for changed fan speed.

Max. internal operating temperature: 60°C

With cooling wings: Up to 200°C

Number of blades are reduced by 2 for paper impeller.

Available with stainless steel inlet and explosion-proof (Eex) motor.

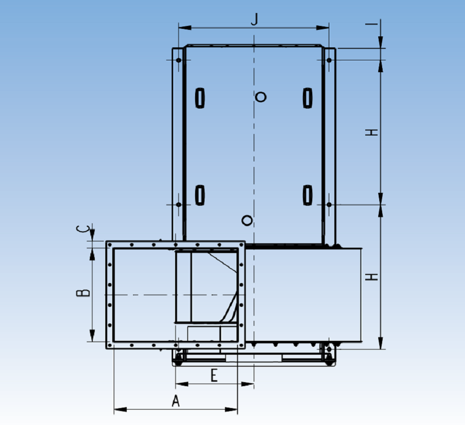
The inlet (D) is supplied with flange as standard.

If the fan is mounted in an acoustic booth, it is supplied with smooth inlet.

Belt drive is anti-static.

Kategori Position

Name: File type: Size:
jk45k_18-5kw_ln.dwg .dwg 0.86 mb
Kategori Position

Name: File type: Size:
jk45k_18-5kw_lno.dwg .dwg 0.93 mb
Kategori Position

Name: File type: Size:
jk45k_18-5kw_lnv.dwg .dwg 0.92 mb
Kategori Position

Name: File type: Size:
jk45k_18-5kw_lo.dwg .dwg 0.86 mb
Kategori Position

Name: File type: Size:
jk45k_18-5kw_lsv.dwg .dwg 0.91 mb
Kategori Position

Name: File type: Size:
jk45k_18-5kw_lv.dwg .dwg 0.86 mb
Kategori Position

Name: File type: Size:
jk45k_18-5kw_rn.dwg .dwg 0.86 mb
Kategori Position

Name: File type: Size:
jk45k_18-5kw_rno.dwg .dwg 0.93 mb
Kategori Position

Name: File type: Size:
jk45k_18-5kw_rnv.dwg .dwg 0.92 mb
Kategori Position

Name: File type: Size:
jk45k_18-5kw_ro.dwg .dwg 0.86 mb
Kategori Position

Name: File type: Size:
jk45k_18-5kw_rso.dwg .dwg 0.92 mb
Kategori Position

Name: File type: Size:
jk45k_18-5kw_rv.dwg .dwg 0.86 mb

Kategori Position

Name: File type: Size:
jk45k_18-5kw_ln.stp .stp 4.82 mb
Kategori Position

Name: File type: Size:
jk45k_18-5kw_lno.stp .stp 4.89 mb
Kategori Position

Name: File type: Size:
jk45k_18-5kw_lnv.stp .stp 4.9 mb
Kategori Position

Name: File type: Size:
jk45k_18-5kw_lo.stp .stp 4.78 mb
Kategori Position

Name: File type: Size:
jk45k_18-5kw_lsv.stp .stp 4.75 mb
Kategori Position

Name: File type: Size:
jk45k_18-5kw_lv.stp .stp 4.9 mb
Kategori Position

Name: File type: Size:
jk45k_18-5kw_rn.stp .stp 4.82 mb
Kategori Position

Name: File type: Size:
jk45k_18-5kw_rno.stp .stp 4.89 mb
Kategori Position

Name: File type: Size:
jk45k_18-5kw_rnv.stp .stp 4.89 mb
Kategori Position

Name: File type: Size:
jk45k_18-5kw_ro.stp .stp 4.9 mb
Kategori Position

Name: File type: Size:
jk45k_18-5kw_rso.stp .stp 4.74 mb
Kategori Position

Name: File type: Size:
jk45k_18-5kw_rv.stp .stp 4.76 mb


Name: File type: Size:
D100058_Fitting_and_service_instructions_for_taper_lock_bushings_pulleys_and_drive_belts.pdf .pdf 2.79 mb

Name: File type: Size:
Hoyer_Motor_Manual.pdf .pdf 1.95 mb

Name: File type: Size:
User_manual.pdf .pdf 3.78 mb

Name: File type: Size:
mont_jk45k.pdf .pdf 5.9 mb
Filter brochure
JK-45K data sheet

Read all about JK-45K

Filter brochure
JK-45K data sheet

Read all about JK-45K

Product Position

Name: File type: Size:
jk45k_18-5kw_ln.dwg .dwg 0.86 mb
Product Position

Name: File type: Size:
jk45k_18-5kw_lno.dwg .dwg 0.93 mb
Product Position

Name: File type: Size:
jk45k_18-5kw_lnv.dwg .dwg 0.92 mb
Product Position

Name: File type: Size:
jk45k_18-5kw_lo.dwg .dwg 0.86 mb
Product Position

Name: File type: Size:
jk45k_18-5kw_lsv.dwg .dwg 0.91 mb
Product Position

Name: File type: Size:
jk45k_18-5kw_lv.dwg .dwg 0.86 mb
Product Position

Name: File type: Size:
jk45k_18-5kw_rn.dwg .dwg 0.86 mb
Product Position

Name: File type: Size:
jk45k_18-5kw_rno.dwg .dwg 0.93 mb
Product Position

Name: File type: Size:
jk45k_18-5kw_rnv.dwg .dwg 0.92 mb
Product Position

Name: File type: Size:
jk45k_18-5kw_ro.dwg .dwg 0.86 mb
Product Position

Name: File type: Size:
jk45k_18-5kw_rso.dwg .dwg 0.92 mb
Product Position

Name: File type: Size:
jk45k_18-5kw_rv.dwg .dwg 0.86 mb
Product Position

Name: File type: Size:
jk45k_18-5kw_ln.stp .stp 4.82 mb
Product Position

Name: File type: Size:
jk45k_18-5kw_lno.stp .stp 4.89 mb
Product Position

Name: File type: Size:
jk45k_18-5kw_lnv.stp .stp 4.9 mb
Product Position

Name: File type: Size:
jk45k_18-5kw_lo.stp .stp 4.78 mb
Product Position

Name: File type: Size:
jk45k_18-5kw_lsv.stp .stp 4.75 mb
Product Position

Name: File type: Size:
jk45k_18-5kw_lv.stp .stp 4.9 mb
Product Position

Name: File type: Size:
jk45k_18-5kw_rn.stp .stp 4.82 mb
Product Position

Name: File type: Size:
jk45k_18-5kw_rno.stp .stp 4.89 mb
Product Position

Name: File type: Size:
jk45k_18-5kw_rnv.stp .stp 4.89 mb
Product Position

Name: File type: Size:
jk45k_18-5kw_ro.stp .stp 4.9 mb
Product Position

Name: File type: Size:
jk45k_18-5kw_rso.stp .stp 4.74 mb
Product Position

Name: File type: Size:
jk45k_18-5kw_rv.stp .stp 4.76 mb
Kategori Fil

Name: File type: Size:
D100058_Fitting_and_service_instructions_for_taper_lock_bushings_pulleys_and_drive_belts.pdf .pdf 2.79 mb
Kategori Fil

Name: File type: Size:
Hoyer_Motor_Manual.pdf .pdf 1.95 mb
Kategori Fil

Name: File type: Size:
User_manual.pdf .pdf 3.78 mb
Kategori Fil

Name: File type: Size:
mont_jk45k.pdf .pdf 5.9 mb
JK-K1.PNG
JK-K2.PNG
JK-Kint.PNG

Senest besøgte projekter

...
JK-40K

Ventilatorsystemer

See product
...
JK-55K

Ventilatorsystemer

See product
...
JK-75K

Ventilatorsystemer

See product

Configure your own solution with our tools

Icon
Er du interesseret i mere?

Kontakt os i dag for en gratis konsultation! Vores team af eksperter vil med glæde diskutere dine udfordringer med støvkontrol og besvare eventuelle spørgsmål. Lad os vise dig, hvordan en specialdesignet Solution Sales-tilgang kan forvandle din arbejdsplads og revolutionere din tilgang til procesventilation.

Kontakt os