JK-40D

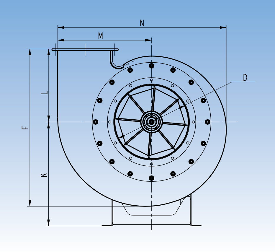
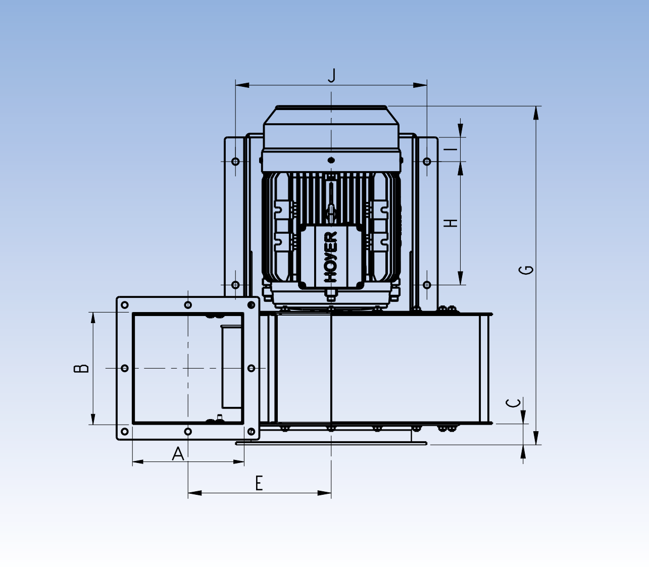
The direct drive centrifugal fan types JK-D are designed for material handling.

Equipped with self-cleaning impellers with backward-inclined blades and aerodynamic intake. The impellers are statically and dynamically balanced.

Max. internal operating temperature: 60°C

Number of blades are reduced by 2 for paper impeller.

Available in stainless steel inlet and explosion-proof (Eex) motor.

The inlet (D) is supplied with flange as standard.

If the fan is mounted in an acoustic booth, it is supplied with smooth inlet.

Specific dimensions for the outlet flanges can be found under “Flanges”.

Kategori Position

Name: File type: Size:
jk40d_18-5kw-b5_160l_ln.dwg .dwg 0.97 mb
Kategori Position

Name: File type: Size:
jk40d_18-5kw-b5_160l_lo.dwg .dwg 0.98 mb
Kategori Position

Name: File type: Size:
jk40d_18-5kw-b5_160l_lv.dwg .dwg 1.02 mb
Kategori Position

Name: File type: Size:
jk40d_18-5kw-b5_160l_rn.dwg .dwg 0.97 mb
Kategori Position

Name: File type: Size:
jk40d_18-5kw-b5_160l_ro.dwg .dwg 1.02 mb
Kategori Position

Name: File type: Size:
jk40d_18-5kw-b5_160l_rv.dwg .dwg 0.98 mb
Kategori Position

Name: File type: Size:
jk40d_18-5kw-b5_180l_ln.dwg .dwg 0.99 mb
Kategori Position

Name: File type: Size:
jk40d_18-5kw-b5_180l_lo.dwg .dwg 0.99 mb
Kategori Position

Name: File type: Size:
jk40d_18-5kw-b5_180l_lv.dwg .dwg 0.99 mb
Kategori Position

Name: File type: Size:
jk40d_18-5kw-b5_180l_rn.dwg .dwg 0.99 mb
Kategori Position

Name: File type: Size:
jk40d_18-5kw-b5_180l_ro.dwg .dwg 1.0 mb
Kategori Position

Name: File type: Size:
jk40d_18-5kw-b5_180l_rv.dwg .dwg 1.0 mb
Kategori Position

Name: File type: Size:
jk40d_18-5kw_ln.dwg .dwg 259.8 kb
Kategori Position

Name: File type: Size:
jk40d_18-5kw_lo.dwg .dwg 299.62 kb
Kategori Position

Name: File type: Size:
jk40d_18-5kw_lv.dwg .dwg 269.47 kb
Kategori Position

Name: File type: Size:
jk40d_18-5kw_rn.dwg .dwg 300.06 kb
Kategori Position

Name: File type: Size:
jk40d_18-5kw_ro.dwg .dwg 263.33 kb
Kategori Position

Name: File type: Size:
jk40d_18-5kw_rv.dwg .dwg 301.64 kb
Kategori Position

Name: File type: Size:
jk40d_22kw-b5_180l_ln.dwg .dwg 0.7 mb
Kategori Position

Name: File type: Size:
jk40d_22kw-b5_180l_lo.dwg .dwg 0.7 mb
Kategori Position

Name: File type: Size:
jk40d_22kw-b5_180l_lv.dwg .dwg 0.7 mb
Kategori Position

Name: File type: Size:
jk40d_22kw-b5_180l_rn.dwg .dwg 0.7 mb
Kategori Position

Name: File type: Size:
jk40d_22kw-b5_180l_ro.dwg .dwg 0.7 mb
Kategori Position

Name: File type: Size:
jk40d_22kw-b5_180l_rv.dwg .dwg 0.7 mb

Kategori Position

Name: File type: Size:
jk-40d_18-5kw-b5_160l_ln.stp .stp 6.66 mb
Kategori Position

Name: File type: Size:
jk-40d_18-5kw-b5_160l_lo.stp .stp 6.62 mb
Kategori Position

Name: File type: Size:
jk-40d_18-5kw-b5_160l_lv.stp .stp 6.66 mb
Kategori Position

Name: File type: Size:
jk-40d_18-5kw-b5_160l_rn.stp .stp 6.68 mb
Kategori Position

Name: File type: Size:
jk-40d_18-5kw-b5_160l_ro.stp .stp 6.68 mb
Kategori Position

Name: File type: Size:
jk-40d_18-5kw-b5_160l_rv.stp .stp 6.62 mb
Kategori Position

Name: File type: Size:
jk-40d_18-5kw-b5_180l_ln.stp .stp 6.29 mb
Kategori Position

Name: File type: Size:
jk-40d_18-5kw-b5_180l_lo.stp .stp 7.32 mb
Kategori Position

Name: File type: Size:
jk-40d_18-5kw-b5_180l_lv.stp .stp 6.27 mb
Kategori Position

Name: File type: Size:
jk-40d_18-5kw-b5_180l_rn.stp .stp 6.29 mb
Kategori Position

Name: File type: Size:
jk-40d_18-5kw-b5_180l_ro.stp .stp 6.27 mb
Kategori Position

Name: File type: Size:
jk-40d_18-5kw-b5_180l_rv.stp .stp 7.32 mb
Kategori Position

Name: File type: Size:
jk40d_18-5kw_ln.stp .stp 4.28 mb
Kategori Position

Name: File type: Size:
jk40d_18-5kw_lo.stp .stp 4.37 mb
Kategori Position

Name: File type: Size:
jk40d_18-5kw_lv.stp .stp 4.29 mb
Kategori Position

Name: File type: Size:
jk40d_18-5kw_rn.stp .stp 4.28 mb
Kategori Position

Name: File type: Size:
jk40d_18-5kw_ro.stp .stp 4.28 mb
Kategori Position

Name: File type: Size:
jk40d_18-5kw_rv.stp .stp 4.37 mb


Name: File type: Size:
Hoyer_Motor_Manual.pdf .pdf 1.95 mb

Name: File type: Size:
User_manual.pdf .pdf 3.78 mb

Name: File type: Size:
mont_jk40d.pdf .pdf 1.13 mb
Filter brochure
JK-40D data sheet

Read all about JK-40D

Filter brochure
JK-40D data sheet

Read all about JK-40D

Product Position

Name: File type: Size:
jk40d_18-5kw-b5_160l_ln.dwg .dwg 0.97 mb
Product Position

Name: File type: Size:
jk40d_18-5kw-b5_160l_lo.dwg .dwg 0.98 mb
Product Position

Name: File type: Size:
jk40d_18-5kw-b5_160l_lv.dwg .dwg 1.02 mb
Product Position

Name: File type: Size:
jk40d_18-5kw-b5_160l_rn.dwg .dwg 0.97 mb
Product Position

Name: File type: Size:
jk40d_18-5kw-b5_160l_ro.dwg .dwg 1.02 mb
Product Position

Name: File type: Size:
jk40d_18-5kw-b5_160l_rv.dwg .dwg 0.98 mb
Product Position

Name: File type: Size:
jk40d_18-5kw-b5_180l_ln.dwg .dwg 0.99 mb
Product Position

Name: File type: Size:
jk40d_18-5kw-b5_180l_lo.dwg .dwg 0.99 mb
Product Position

Name: File type: Size:
jk40d_18-5kw-b5_180l_lv.dwg .dwg 0.99 mb
Product Position

Name: File type: Size:
jk40d_18-5kw-b5_180l_rn.dwg .dwg 0.99 mb
Product Position

Name: File type: Size:
jk40d_18-5kw-b5_180l_ro.dwg .dwg 1.0 mb
Product Position

Name: File type: Size:
jk40d_18-5kw-b5_180l_rv.dwg .dwg 1.0 mb
Product Position

Name: File type: Size:
jk40d_18-5kw_ln.dwg .dwg 259.8 kb
Product Position

Name: File type: Size:
jk40d_18-5kw_lo.dwg .dwg 299.62 kb
Product Position

Name: File type: Size:
jk40d_18-5kw_lv.dwg .dwg 269.47 kb
Product Position

Name: File type: Size:
jk40d_18-5kw_rn.dwg .dwg 300.06 kb
Product Position

Name: File type: Size:
jk40d_18-5kw_ro.dwg .dwg 263.33 kb
Product Position

Name: File type: Size:
jk40d_18-5kw_rv.dwg .dwg 301.64 kb
Product Position

Name: File type: Size:
jk40d_22kw-b5_180l_ln.dwg .dwg 0.7 mb
Product Position

Name: File type: Size:
jk40d_22kw-b5_180l_lo.dwg .dwg 0.7 mb
Product Position

Name: File type: Size:
jk40d_22kw-b5_180l_lv.dwg .dwg 0.7 mb
Product Position

Name: File type: Size:
jk40d_22kw-b5_180l_rn.dwg .dwg 0.7 mb
Product Position

Name: File type: Size:
jk40d_22kw-b5_180l_ro.dwg .dwg 0.7 mb
Product Position

Name: File type: Size:
jk40d_22kw-b5_180l_rv.dwg .dwg 0.7 mb
Product Position

Name: File type: Size:
jk-40d_18-5kw-b5_160l_ln.stp .stp 6.66 mb
Product Position

Name: File type: Size:
jk-40d_18-5kw-b5_160l_lo.stp .stp 6.62 mb
Product Position

Name: File type: Size:
jk-40d_18-5kw-b5_160l_lv.stp .stp 6.66 mb
Product Position

Name: File type: Size:
jk-40d_18-5kw-b5_160l_rn.stp .stp 6.68 mb
Product Position

Name: File type: Size:
jk-40d_18-5kw-b5_160l_ro.stp .stp 6.68 mb
Product Position

Name: File type: Size:
jk-40d_18-5kw-b5_160l_rv.stp .stp 6.62 mb
Product Position

Name: File type: Size:
jk-40d_18-5kw-b5_180l_ln.stp .stp 6.29 mb
Product Position

Name: File type: Size:
jk-40d_18-5kw-b5_180l_lo.stp .stp 7.32 mb
Product Position

Name: File type: Size:
jk-40d_18-5kw-b5_180l_lv.stp .stp 6.27 mb
Product Position

Name: File type: Size:
jk-40d_18-5kw-b5_180l_rn.stp .stp 6.29 mb
Product Position

Name: File type: Size:
jk-40d_18-5kw-b5_180l_ro.stp .stp 6.27 mb
Product Position

Name: File type: Size:
jk-40d_18-5kw-b5_180l_rv.stp .stp 7.32 mb
Product Position

Name: File type: Size:
jk40d_18-5kw_ln.stp .stp 4.28 mb
Product Position

Name: File type: Size:
jk40d_18-5kw_lo.stp .stp 4.37 mb
Product Position

Name: File type: Size:
jk40d_18-5kw_lv.stp .stp 4.29 mb
Product Position

Name: File type: Size:
jk40d_18-5kw_rn.stp .stp 4.28 mb
Product Position

Name: File type: Size:
jk40d_18-5kw_ro.stp .stp 4.28 mb
Product Position

Name: File type: Size:
jk40d_18-5kw_rv.stp .stp 4.37 mb
Kategori Fil

Name: File type: Size:
Hoyer_Motor_Manual.pdf .pdf 1.95 mb
Kategori Fil

Name: File type: Size:
User_manual.pdf .pdf 3.78 mb
Kategori Fil

Name: File type: Size:
mont_jk40d.pdf .pdf 1.13 mb
JK-D1.PNG
JK-D2.PNG
JK-Dint.PNG

Senest besøgte projekter

...
JK-20D

Ventilatorsystemer

See product
...
JK-30D

Ventilatorsystemer

See product
...
JK-40K

Ventilatorsystemer

See product
...
JK-40MTD

Ventilatorsystemer

See product

Configure your own solution with our tools

Icon
Er du interesseret i mere?

Kontakt os i dag for en gratis konsultation! Vores team af eksperter vil med glæde diskutere dine udfordringer med støvkontrol og besvare eventuelle spørgsmål. Lad os vise dig, hvordan en specialdesignet Solution Sales-tilgang kan forvandle din arbejdsplads og revolutionere din tilgang til procesventilation.

Kontakt os