The direct drive centrifugal fan types JK-60MTDP, JK-70MTDP, JK-80MTDP and JK-90MTDP are designed for material transport, e.g. wood chips and dust.
Equipped with backward-inclined blades and aerodynamic inlet spigot made from brass.
The impellers are statically and dynamically balanced.
Max. internal operating temperature: 60°C
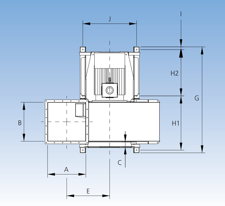
The inlet (D) is supplied with flange as standard.
Read all about JK-70MTDP
Read all about JK-70MTDP
Contact us today for a free consultation! Our team of experts will be happy to discuss your dust control challenges and answer any questions you may have. Let us show you how a custom-designed Solution Sales approach can transform your workplace and revolutionize your approach to dust extraction.