JK-70MT

The indirect drive centrifugal fan types JK-30MT - JK-100MT are designed for transport of clean air.

Equipped with self-cleaning impellers with backward-inclined blades and aerodynamic intake. The impellers are statically and dynamically balanced.

The pulleys are shaft-mounted with taperlock bushing, allowing easy replacement for changed fan speed.

Max. internal operating temperature: 60°C

With cooling wings: Up to 200°C

Available in stainless steel inlet and explosion-proof (Eex) motor.

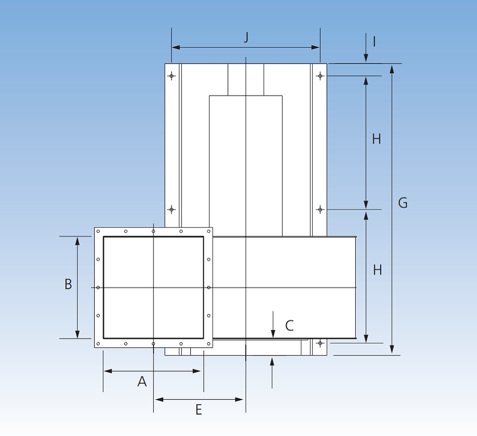
Dimensions (D) for the inlet are external. Supplied with flange as standard.

Belt drive is anti-static.

Kategorie Position

Name: File type: Size:
jk70mt_30kw_ln.dwg .dwg 380.36 kb
Kategorie Position

Name: File type: Size:
jk70mt_30kw_lno.dwg .dwg 466.67 kb
Kategorie Position

Name: File type: Size:
jk70mt_30kw_lnv.dwg .dwg 462.21 kb
Kategorie Position

Name: File type: Size:
jk70mt_30kw_lo.dwg .dwg 378.62 kb
Kategorie Position

Name: File type: Size:
jk70mt_30kw_lsv.dwg .dwg 435.31 kb
Kategorie Position

Name: File type: Size:
jk70mt_30kw_lv.dwg .dwg 379.39 kb
Kategorie Position

Name: File type: Size:
jk70mt_30kw_rn.dwg .dwg 379.23 kb
Kategorie Position

Name: File type: Size:
jk70mt_30kw_rno.dwg .dwg 467.09 kb
Kategorie Position

Name: File type: Size:
jk70mt_30kw_rnv.dwg .dwg 435.34 kb
Kategorie Position

Name: File type: Size:
jk70mt_30kw_ro.dwg .dwg 383.0 kb
Kategorie Position

Name: File type: Size:
jk70mt_30kw_rso.dwg .dwg 467.16 kb
Kategorie Position

Name: File type: Size:
jk70mt_30kw_rv.dwg .dwg 376.2 kb

Kategorie Position

Name: File type: Size:
jk70mt_30kw_ln.stp .stp 2.76 mb
Kategorie Position

Name: File type: Size:
jk70mt_30kw_lno.stp .stp 2.8 mb
Kategorie Position

Name: File type: Size:
jk70mt_30kw_lnv.stp .stp 2.77 mb
Kategorie Position

Name: File type: Size:
jk70mt_30kw_lo.stp .stp 2.7 mb
Kategorie Position

Name: File type: Size:
jk70mt_30kw_lsv.stp .stp 2.7 mb
Kategorie Position

Name: File type: Size:
jk70mt_30kw_lv.stp .stp 2.65 mb
Kategorie Position

Name: File type: Size:
jk70mt_30kw_rn.stp .stp 2.75 mb
Kategorie Position

Name: File type: Size:
jk70mt_30kw_rno.stp .stp 2.77 mb
Kategorie Position

Name: File type: Size:
jk70mt_30kw_rnv.stp .stp 2.8 mb
Kategorie Position

Name: File type: Size:
jk70mt_30kw_ro.stp .stp 2.65 mb
Kategorie Position

Name: File type: Size:
jk70mt_30kw_rso.stp .stp 2.7 mb
Kategorie Position

Name: File type: Size:
jk70mt_30kw_rv.stp .stp 2.76 mb


Name: File type: Size:
D100058_Fitting_and_service_instructions_for_taper_lock_bushings_pulleys_and_drive_belts.pdf .pdf 2.79 mb

Name: File type: Size:
Declaration_of_conformity.pdf .pdf 121.46 kb

Name: File type: Size:
Hoyer_Motor_Manual.pdf .pdf 1.95 mb

Name: File type: Size:
User_manual.pdf .pdf 3.78 mb

Name: File type: Size:
mont_jk70mt.pdf .pdf 6.26 mb
Filter brochure
JK-70MT data sheet

Read all about JK-70MT

Filter brochure
JK-70MT data sheet

Read all about JK-70MT

Product Position

Name: File type: Size:
jk70mt_30kw_ln.dwg .dwg 380.36 kb
Product Position

Name: File type: Size:
jk70mt_30kw_lno.dwg .dwg 466.67 kb
Product Position

Name: File type: Size:
jk70mt_30kw_lnv.dwg .dwg 462.21 kb
Product Position

Name: File type: Size:
jk70mt_30kw_lo.dwg .dwg 378.62 kb
Product Position

Name: File type: Size:
jk70mt_30kw_lsv.dwg .dwg 435.31 kb
Product Position

Name: File type: Size:
jk70mt_30kw_lv.dwg .dwg 379.39 kb
Product Position

Name: File type: Size:
jk70mt_30kw_rn.dwg .dwg 379.23 kb
Product Position

Name: File type: Size:
jk70mt_30kw_rno.dwg .dwg 467.09 kb
Product Position

Name: File type: Size:
jk70mt_30kw_rnv.dwg .dwg 435.34 kb
Product Position

Name: File type: Size:
jk70mt_30kw_ro.dwg .dwg 383.0 kb
Product Position

Name: File type: Size:
jk70mt_30kw_rso.dwg .dwg 467.16 kb
Product Position

Name: File type: Size:
jk70mt_30kw_rv.dwg .dwg 376.2 kb
Product Position

Name: File type: Size:
jk70mt_30kw_ln.stp .stp 2.76 mb
Product Position

Name: File type: Size:
jk70mt_30kw_lno.stp .stp 2.8 mb
Product Position

Name: File type: Size:
jk70mt_30kw_lnv.stp .stp 2.77 mb
Product Position

Name: File type: Size:
jk70mt_30kw_lo.stp .stp 2.7 mb
Product Position

Name: File type: Size:
jk70mt_30kw_lsv.stp .stp 2.7 mb
Product Position

Name: File type: Size:
jk70mt_30kw_lv.stp .stp 2.65 mb
Product Position

Name: File type: Size:
jk70mt_30kw_rn.stp .stp 2.75 mb
Product Position

Name: File type: Size:
jk70mt_30kw_rno.stp .stp 2.77 mb
Product Position

Name: File type: Size:
jk70mt_30kw_rnv.stp .stp 2.8 mb
Product Position

Name: File type: Size:
jk70mt_30kw_ro.stp .stp 2.65 mb
Product Position

Name: File type: Size:
jk70mt_30kw_rso.stp .stp 2.7 mb
Product Position

Name: File type: Size:
jk70mt_30kw_rv.stp .stp 2.76 mb
Kategorie Datei

Name: File type: Size:
D100058_Fitting_and_service_instructions_for_taper_lock_bushings_pulleys_and_drive_belts.pdf .pdf 2.79 mb
Kategorie Datei

Name: File type: Size:
Declaration_of_conformity.pdf .pdf 121.46 kb
Kategorie Datei

Name: File type: Size:
Hoyer_Motor_Manual.pdf .pdf 1.95 mb
Kategorie Datei

Name: File type: Size:
User_manual.pdf .pdf 3.78 mb
Kategorie Datei

Name: File type: Size:
mont_jk70mt.pdf .pdf 6.26 mb
JK-MT1.PNG
JK-MT2.PNG
JK-MTint.PNG

Ähnliche Produkte

...
JK-70MTD

Ventilatorsysteme

See product
...
JK-70MTDP

Ventilatorsysteme

See product
...
JK-80MT

Ventilatorsysteme

See product
...
JK-90MT

Ventilatorsysteme

See product

Configure your own solution with our tools

Icon
Interessiert an mehr?

Kontaktieren Sie uns noch heute für ein kostenloses Beratungsgespräch! Unser Expertenteam freut sich darauf, Ihre Herausforderungen bei der Staubkontrolle zu besprechen und Ihre Fragen zu beantworten. Wir zeigen Ihnen, wie ein maßgeschneiderter Lösungsverkauf-Ansatz Ihren Arbeitsplatz verändern und Ihre Vorgehensweise bei der Entstaubung revolutionieren kann.

Kontakt